Are you a company? Register for a better price.

Q5/08-FH12-50

Heavy duty anchor with countersunk screw

Material: Steel, Surface finish: Galvanized, L: 125, Use: Anchoring, M: 8, d: 12

€3,23
without VAT
€3,97
with VAT


PCS
Stock availability
SK Krompachy > 5000
SK Banská Bystrica 95
SK Bratislava R1 67

Contact

For more information, please contact our sales:

lubomir.petruska@umakov.sk
+421915093533 +393483490444

Description

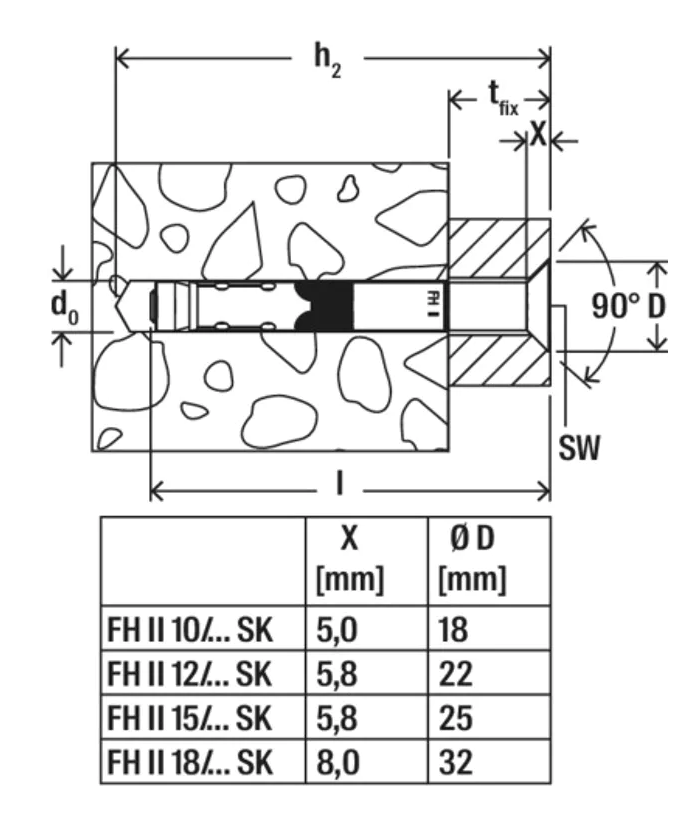
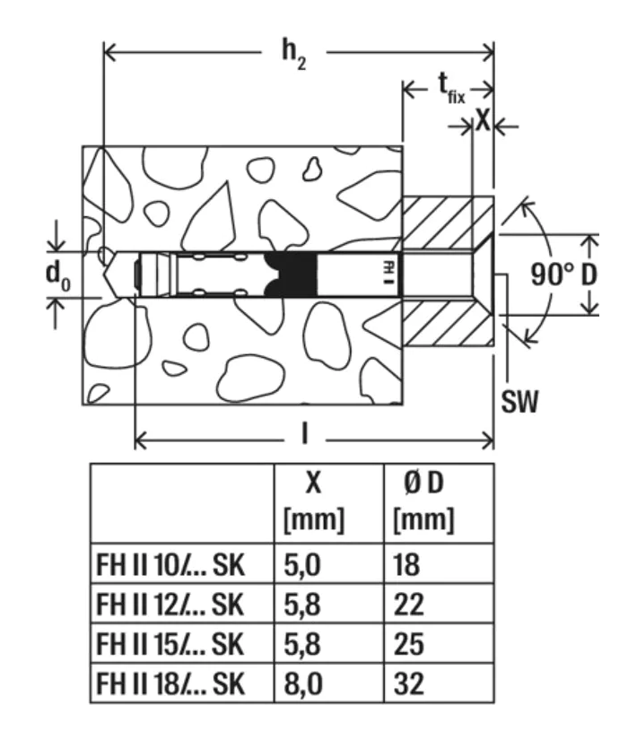
The Fischer high-performance anchor with countersunk head is a sleeve anchor made of zinc-plated steel. The anchor is set in the time-saving through-type installation. When tightening the anchor, the cone is pulled into the expansion sleeve and expands it against the hole wall. The black plastic ring prevents the anchor from rotating and absorbs the torque slippage. This means that the fixture is pulled towards the anchoring base. The Fischer high-performance anchor FH II SK with countersunk head is ideally suited to fix railings, staircases, and ladders in cracked and non-cracked concrete.

With countersunk head for assembly that is flush to the surface.
The international approvals guarantee maximum safety and maximum performance. Also for applications in earthquake regions (seismic C1 and C2).
The ideal combination of screw shank and sleeve enables a high transverse load capacity and fewer fixing points.
The optimised geometry intelligently reduces the setting energy and thus ensures a force-saving assembly.

ETA-approval: YES
Drill diameter (d0) : 12 mm
Min. drill hole depth for through fixings (h2): 130 mm
Max. fixture thickness (t fix): 50 mm
Thread (M): M8
Packaging: Folding box
Amount: 25 pcs.
GTIN (EAN-Code): 4006209449196
Seismic-Approval: C1 / C2

Parameters

Material
Defines the material from which the product is made.
Steel
Surface finish
Surface finish of product
Galvanized
L
Length parameter of the product
125
Use
Anchoring
d
12
M
8

Catalog list

Required products

Top mount - glass AL/ELOX/Satin L195mm, 90°out AL/0004-S-E-90-OUT

Material
Aluminium
Surface finish
Satin-ELOX
Glass t
12,00-21,52
Required products
€74,13
without VAT
€91,18 with VAT
In stock (31 units)
PCS
Required products

Aluminium profile -top mounting AL/0004-5000-S-E

Material
Aluminium
Surface finish
Satin-ELOX
Glass t
12,00-21,52
Required products
€347,17
without VAT
€427,02 with VAT
In stock (967 units)
PCS

Top mount - glass AL/0004-2500-S-E

Material
Aluminium
Surface finish
Satin-ELOX
Glass t
12,00-21,52
Required products
€180,73
without VAT
€222,30 with VAT
In stock (686 units)
PCS

Top mount - glass AL AL/0004-1250-S-E

Material
Aluminium
Surface finish
Satin-ELOX
Glass t
12,00-21,52
Required products
€90,43
without VAT
€111,23 with VAT
Low stock (9 units)
PCS

Aluminium profile -top mounting AL/0004-5000-S-E

Material
Aluminium
Surface finish
Satin-ELOX
Glass t
12,00-21,52
Required products
€347,17
without VAT
€427,02 with VAT
In stock (967 units)
PCS
Alternatives
Required products

Aluminium profile -top mounting AL/0004-5000-S-E-Drain

Material
Aluminium
Surface finish
Satin-ELOX
Glass t
12,00-21,52
Required products
€382,97
without VAT
€471,05 with VAT
In stock (98 units)
PCS

Top mount - glass AL/0004-2500-S-E

Material
Aluminium
Surface finish
Satin-ELOX
Glass t
12,00-21,52
Required products
€180,73
without VAT
€222,30 with VAT
In stock (686 units)
PCS

Aluminium profile -top mounting AL/0004-6000-S-E

Material
Aluminium
Surface finish
Satin-ELOX
Glass t
12,00-21,52
Required products
€413,35
without VAT
€508,42 with VAT
In stock (464 units)
PCS

Top mount - glass AL/0004-ECO-5000-S-E

Material
Aluminium
Surface finish
Satin-ELOX
Glass t
12,00-21,52
Required products
€311,14
without VAT
€382,70 with VAT
In stock (579 units)
PCS

INOX anchor A5/08-105x11xM8

Material
Stainless steel AISI 304
Surface finish
Raw
Use
Anchoring
€3,46
without VAT
€4,26 with VAT
In stock (4759 units)
PCS

Glass mounting tool for AL-PRO profiles AL/glass-mont-PRO

Material
Stainless steel AISI 304
Surface finish
Raw
€19,66
without VAT
€24,18 with VAT
Very low stock (7 units)
PCS

Chemical anchor 300ml - Polyester Q5/01GFP-300

Material
Chemicals
Use
Anchoring
Required products
€9,10
without VAT
€11,19 with VAT
In stock (330 units)
PCS

Steel anchor, M8 Q5/08-VI-IG-M8-100/S

Material
Steel
L
100
Use
Anchoring
Out of stock
€0,00
without VAT
€0,00 with VAT
Backordered
PCS

Stainless steel anchor A5/08-VI-IG-M8-100/A4

Material
Stainless steel AISI 316
Use
Anchoring
M
8
Out of stock
€0,00
without VAT
€0,00 with VAT
Backordered
PCS

Taper screw with taper washer, M8, Zn, SW=T40 W-DIN 7991 M8x20-P

Material
Steel
Surface finish
Galvanized
Required products
€4,66
without VAT
€5,73 with VAT
Very low stock (4 units)
PCS

Heavy duty anchor with countersunk screw Q5/08-FH12-50

Material
Steel
Surface finish
Galvanized
L
125
Required products
€3,23
without VAT
€3,97 with VAT
In stock (21955 units)
PCS

Top mount - glass AL/0004-2500-S-E

Material
Aluminium
Surface finish
Satin-ELOX
Glass t
12,00-21,52
Required products
€180,73
without VAT
€222,30 with VAT
In stock (686 units)
PCS
Alternatives
Required products

Aluminium profile -top mounting AL/0004-5000-S-E

Material
Aluminium
Surface finish
Satin-ELOX
Glass t
12,00-21,52
Required products
€347,17
without VAT
€427,02 with VAT
In stock (967 units)
PCS

Aluminium profile -top mounting AL/0004-6000-S-E

Material
Aluminium
Surface finish
Satin-ELOX
Glass t
12,00-21,52
Required products
€413,35
without VAT
€508,42 with VAT
In stock (464 units)
PCS

Top mount - glass AL/0004-ECO-2500-S-E

Material
Aluminium
Surface finish
Satin-ELOX
Glass t
12,00-21,52
Required products
€158,00
without VAT
€194,34 with VAT
In stock (274 units)
PCS

INOX anchor A5/08-105x11xM8

Material
Stainless steel AISI 304
Surface finish
Raw
Use
Anchoring
€3,46
without VAT
€4,26 with VAT
In stock (4759 units)
PCS

Glass mounting tool for AL-PRO profiles AL/glass-mont-PRO

Material
Stainless steel AISI 304
Surface finish
Raw
€19,66
without VAT
€24,18 with VAT
Very low stock (7 units)
PCS

Steel anchor, M8 Q5/08-VI-IG-M8-100/S

Material
Steel
L
100
Use
Anchoring
Out of stock
€0,00
without VAT
€0,00 with VAT
Backordered
PCS

Stainless steel anchor A5/08-VI-IG-M8-100/A4

Material
Stainless steel AISI 316
Use
Anchoring
M
8
Out of stock
€0,00
without VAT
€0,00 with VAT
Backordered
PCS

Taper screw with taper washer, M8, Zn, SW=T40 W-DIN 7991 M8x20-P

Material
Steel
Surface finish
Galvanized
Required products
€4,66
without VAT
€5,73 with VAT
Very low stock (4 units)
PCS

Heavy duty anchor with countersunk screw Q5/08-FH12-50

Material
Steel
Surface finish
Galvanized
L
125
Required products
€3,23
without VAT
€3,97 with VAT
In stock (21955 units)
PCS

Top mount - glass AL AL/0004-1250-S-E

Material
Aluminium
Surface finish
Satin-ELOX
Glass t
12,00-21,52
Required products
€90,43
without VAT
€111,23 with VAT
Low stock (9 units)
PCS
Alternatives
Required products

Aluminium profile -top mounting AL/0004-5000-S-E

Material
Aluminium
Surface finish
Satin-ELOX
Glass t
12,00-21,52
Required products
€347,17
without VAT
€427,02 with VAT
In stock (967 units)
PCS

Top mount - glass AL/0004-2500-S-E

Material
Aluminium
Surface finish
Satin-ELOX
Glass t
12,00-21,52
Required products
€180,73
without VAT
€222,30 with VAT
In stock (686 units)
PCS

Stainless steel anchor A5/08-VI-IG-M8-100/A4

Material
Stainless steel AISI 316
Use
Anchoring
M
8
Out of stock
€0,00
without VAT
€0,00 with VAT
Backordered
PCS

Glass mounting tool for AL-PRO profiles AL/glass-mont-PRO

Material
Stainless steel AISI 304
Surface finish
Raw
€19,66
without VAT
€24,18 with VAT
Very low stock (7 units)
PCS

Steel anchor, M8 Q5/08-VI-IG-M8-100/S

Material
Steel
L
100
Use
Anchoring
Out of stock
€0,00
without VAT
€0,00 with VAT
Backordered
PCS

Heavy duty anchor with countersunk screw Q5/08-FH12-50

Material
Steel
Surface finish
Galvanized
L
125
Required products
€3,23
without VAT
€3,97 with VAT
In stock (21955 units)
PCS

INOX anchor A5/08-105x11xM8

Material
Stainless steel AISI 304
Surface finish
Raw
Use
Anchoring
€3,46
without VAT
€4,26 with VAT
In stock (4759 units)
PCS

Taper screw with taper washer, M8, Zn, SW=T40 W-DIN 7991 M8x20-P

Material
Steel
Surface finish
Galvanized
Required products
€4,66
without VAT
€5,73 with VAT
Very low stock (4 units)
PCS

Aluminium profile for glass railing -top anchoring AL/0008-5000-S-E

Material
Aluminium
Surface finish
Satin-ELOX
Glass t
21,52-25,52
€612,69
without VAT
€753,61 with VAT
In stock (192 units)
PCS
Alternatives

Top anchoring 3kN AL/0008-2500-S-E

Material
Aluminium
Surface finish
Satin-ELOX
Glass t
21,52-25,52
€310,84
without VAT
€382,33 with VAT
In stock (32 units)
PCS

Side Mounted Channel profile - Anodized AL/0009-5000-S-E

Material
Aluminium
Surface finish
Satin-ELOX
Glass t
21,52-25,52
Required products
Out of stock
€526,06
without VAT
€647,05 with VAT
Backordered
PCS
Alternatives
Required products

Side Mounted Channel profile - Anodized AL/0009-2500-S-E

Material
Aluminium
Surface finish
Satin-ELOX
Glass t
21,52-25,52
Required products
€287,04
without VAT
€353,06 with VAT
In stock (38 units)
PCS

AL. profile, top mount 90° IN corner AL/ELOX/Sati AL/0009-S-E-90-IN

Material
Aluminium
Surface finish
Satin-ELOX
Glass t
21,52-25,52
Required products
Out of stock
€118,91
without VAT
€146,26 with VAT
Backordered
PCS

AL. profile, top mount 90° IN corner AL/ELOX/Sati AL/0009-S-E-90-OUT

Material
Aluminium
Surface finish
Satin-ELOX
Glass t
21,52-25,52
Required products
Out of stock
€117,04
without VAT
€143,96 with VAT
Backordered
PCS

Aluminium profile -top mounting AL/0004-6000-S-E

Material
Aluminium
Surface finish
Satin-ELOX
Glass t
12,00-21,52
Required products
€413,35
without VAT
€508,42 with VAT
In stock (464 units)
PCS
Alternatives
Required products

Aluminium profile -top mounting AL/0004-5000-S-E

Material
Aluminium
Surface finish
Satin-ELOX
Glass t
12,00-21,52
Required products
€347,17
without VAT
€427,02 with VAT
In stock (967 units)
PCS

Top mount - glass AL/0004-2500-S-E

Material
Aluminium
Surface finish
Satin-ELOX
Glass t
12,00-21,52
Required products
€180,73
without VAT
€222,30 with VAT
In stock (686 units)
PCS

Top mount - glass AL/0004-ECO-6000-S-E

Material
Aluminium
Surface finish
Satin-ELOX
Glass t
12,00-21,52
Required products
€371,73
without VAT
€457,23 with VAT
In stock (799 units)
PCS

INOX anchor A5/08-105x11xM8

Material
Stainless steel AISI 304
Surface finish
Raw
Use
Anchoring
€3,46
without VAT
€4,26 with VAT
In stock (4759 units)
PCS

Glass mounting tool for AL-PRO profiles AL/glass-mont-PRO

Material
Stainless steel AISI 304
Surface finish
Raw
€19,66
without VAT
€24,18 with VAT
Very low stock (7 units)
PCS

Glass inlay A19/0004-021-06.0

Material
EPDM/Plastic
Glass t
20,76
L
6000
€49,77
without VAT
€61,22 with VAT
In stock (135 units)
SET

Glass inlay A19/0004-022-06.0

Material
EPDM/Plastic
Glass t
21,52
L
6000
€49,77
without VAT
€61,22 with VAT
In stock (135 units)
SET

Heavy duty anchor with countersunk screw Q5/08-FH12-50

Material
Steel
Surface finish
Galvanized
L
125
Required products
€3,23
without VAT
€3,97 with VAT
In stock (21955 units)
PCS

Steel anchor, M8 Q5/08-VI-IG-M8-100/S

Material
Steel
L
100
Use
Anchoring
Out of stock
€0,00
without VAT
€0,00 with VAT
Backordered
PCS

Stainless steel anchor A5/08-VI-IG-M8-100/A4

Material
Stainless steel AISI 316
Use
Anchoring
M
8
Out of stock
€0,00
without VAT
€0,00 with VAT
Backordered
PCS

Taper screw with taper washer, M8, Zn, SW=T40 W-DIN 7991 M8x20-P

Material
Steel
Surface finish
Galvanized
Required products
€4,66
without VAT
€5,73 with VAT
Very low stock (4 units)
PCS

Alternative products

Heavy duty anchor with countersunk screw M8 Q5/08-12-125

Material
Steel
Surface finish
Galvanized
L
120
€2,30
without VAT
€2,83 with VAT
In stock (3280 units)
PCS
Alternatives

Heavy duty anchor with countersunk screw Q5/08-FH12-50

Material
Steel
Surface finish
Galvanized
L
125
Required products
€3,23
without VAT
€3,97 with VAT
In stock (21955 units)
PCS

Heavy duty anchor with countersunk screw M8, stainless steel A5/08-12-125

Material
Stainless steel AISI 304
Surface finish
Raw
L
120
€4,09
without VAT
€5,03 with VAT
In stock (4248 units)
PCS

Heavy duty anchor with countersunk screw M8, stainless steel A5/08-12-125

Material
Stainless steel AISI 304
Surface finish
Raw
L
120
€4,09
without VAT
€5,03 with VAT
In stock (4248 units)
PCS
Alternatives

Heavy duty anchor with countersunk screw Q5/08-FH12-50

Material
Steel
Surface finish
Galvanized
L
125
Required products
€3,23
without VAT
€3,97 with VAT
In stock (21955 units)
PCS

Heavy duty anchor with countersunk screw M8 Q5/08-12-125

Material
Steel
Surface finish
Galvanized
L
120
€2,30
without VAT
€2,83 with VAT
In stock (3280 units)
PCS

Heavy duty anchor with countersunk screw M8 Q5/08-HAZ-M8-80SK/S

Material
Steel
Surface finish
Galvanized
L
80
€3,57
without VAT
€4,39 with VAT
Very low stock (2 units)
PCS
Alternatives

Anchor for medium heavy loads with countersunk head M8 Q5/08-M8-75SK/S

Material
Steel
Surface finish
Galvanized
L
75
€1,62
without VAT
€1,99 with VAT
In stock (786 units)
PCS

Heavy duty anchor with countersunk screw Q5/08-FH12-50

Material
Steel
Surface finish
Galvanized
L
125
Required products
€3,23
without VAT
€3,97 with VAT
In stock (21955 units)
PCS

INOX anchor A5/08-105x11xM8

Material
Stainless steel AISI 304
Surface finish
Raw
Use
Anchoring
€3,46
without VAT
€4,26 with VAT
In stock (4759 units)
PCS
Alternatives

INOX anchor, AISI 316 A14/08-105x11xM8

Material
Stainless steel AISI 316
Surface finish
Raw
Use
Anchoring
€3,70
without VAT
€4,55 with VAT
In stock (1757 units)
PCS

Inox anchor M8, L=140mm A19/27-M8

Material
Stainless steel AISI 304
Surface finish
Satined
Shape
Round bar
€3,16
without VAT
€3,89 with VAT
In stock (2254 units)
PCS
Heavy duty anchor with countersunk screw
umakovshop-com

Heavy duty anchor with countersunk screw

€3,23
The Fischer high-performance anchor with countersunk head is a sleeve anchor made of zinc-plated steel. The anchor is set in the time-saving through-type installation. When tightening the anchor, the cone is pulled into the expansion sleeve and expands it against the hole wall. The black plastic ring prevents the anchor from rotating and absorbs the torque slippage. This means that the fixture is pulled towards the anchoring base. The Fischer high-performance anchor FH II SK with countersunk head is ideally suited to fix railings, staircases, and ladders in cracked and non-cracked concrete.

With countersunk head for assembly that is flush to the surface.
The international approvals guarantee maximum safety and maximum performance. Also for applications in earthquake regions (seismic C1 and C2).
The ideal combination of screw shank and sleeve enables a high transverse load capacity and fewer fixing points.
The optimised geometry intelligently reduces the setting energy and thus ensures a force-saving assembly.

ETA-approval: YES
Drill diameter (d0) : 12 mm
Min. drill hole depth for through fixings (h2): 130 mm
Max. fixture thickness (t fix): 50 mm
Thread (M): M8
Packaging: Folding box
Amount: 25 pcs.
GTIN (EAN-Code): 4006209449196
Seismic-Approval: C1 / C2
View product