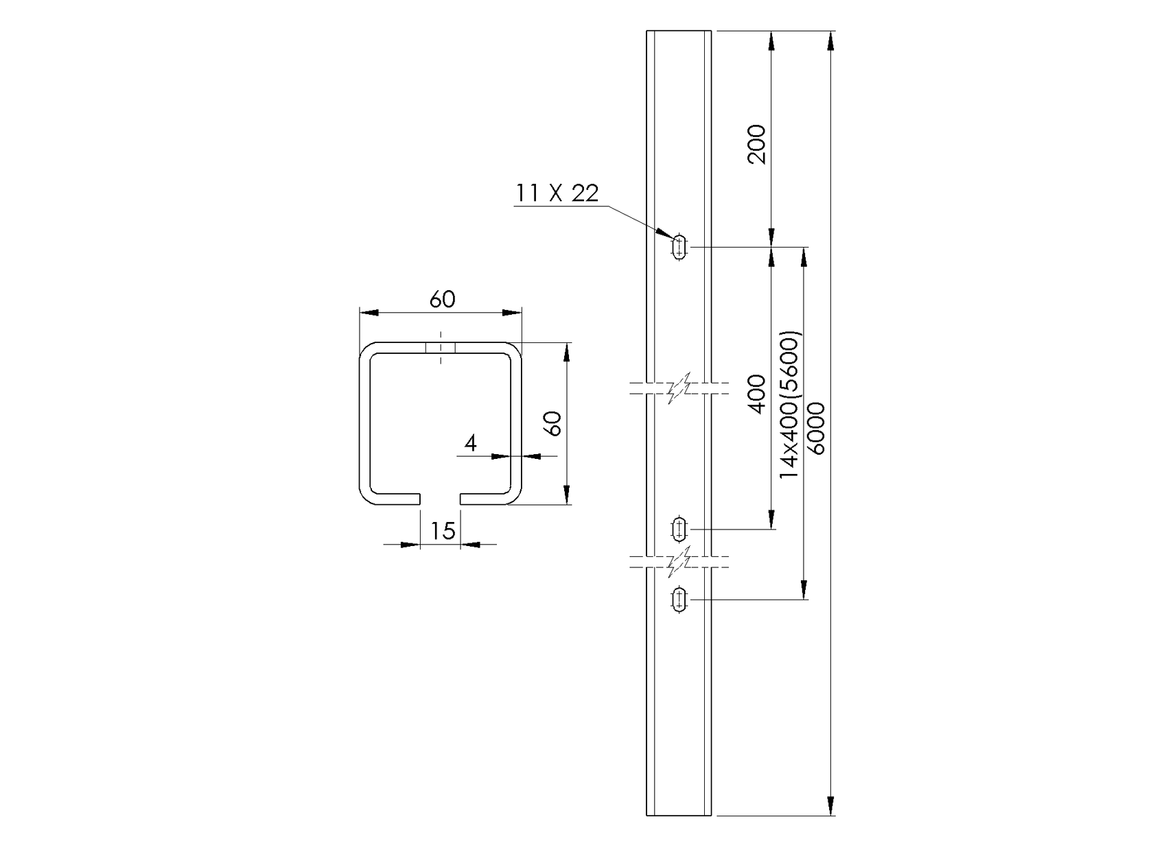
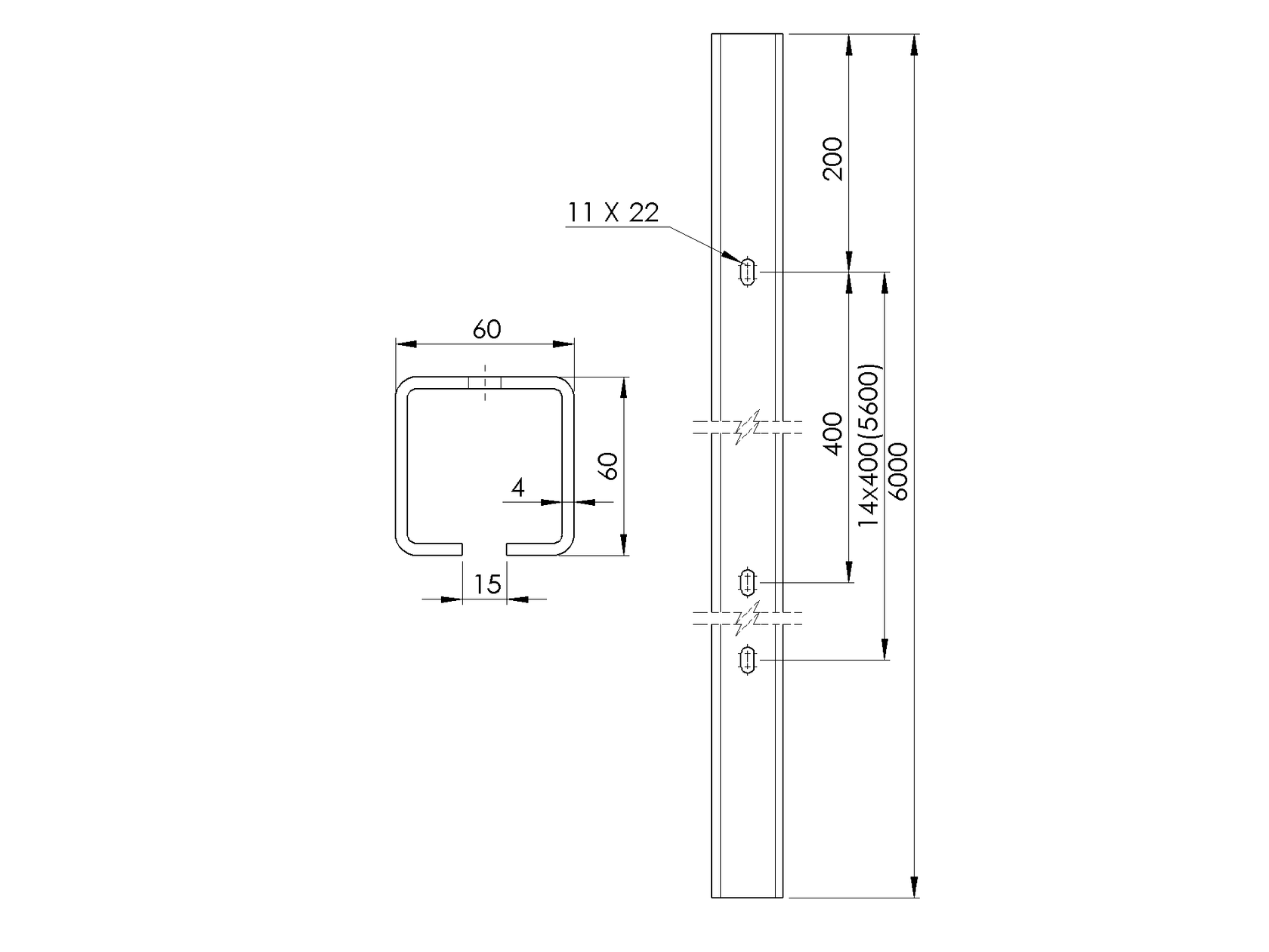
H/02-60x60-Zn-D-6000
Profilo guida con fori Zn, 60x60x4mm, L3m
€144,18
Prezzo unitario
/
Non disponibile
senza IVA
con IVA
Disponibilità di magazzino
SK Krompachy
> 25
SK Banská Bystrica
0
SK Bratislava R1
0
Contatto
Contatto
Per maggiori informazioni, contatta il nostro commerciale:
ordini@umakov.sk; info@umakov.sk
+421 908 986 081, +421 908 994 153
Parametri
Materiale
Definisce il materiale di cui e fatto il prodotto.
Acciaio
Finitura
Stato finale della superficie del prodotto
Zinco
Marca
Definisce il produttore del prodotto in questione
Umakov
Dimensioni del profilo (mm)
La serie dimensionale della guida garantisce la compatibilita del profilo di guida, delle ruote e degli accessori
60x60
L
Parametro di lunghezza del prodotto
6000