D4/72N-100
Molla a torsione unilaterale, Nichel, L=100mm
€9,75
Prezzo unitario
/
Non disponibile
senza IVA
con IVA
Disponibilità di magazzino
SK Krompachy
> 25
SK Banská Bystrica
0
SK Bratislava R1
0
Contatto
Contatto
Per maggiori informazioni, contatta il nostro commerciale:
umakov@umakov.it
+393483490444
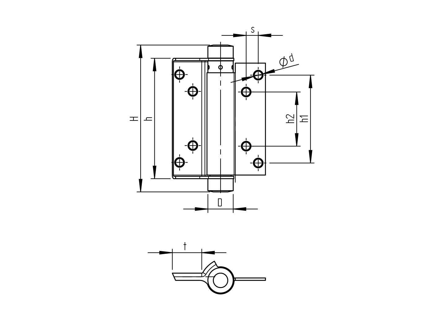
Descrizione
Cerniera a molla autochiudente, unilaterale, finitura superficiale - nichel, altezza 100mm. Possibilita di regolazione della forza. Destinato per interni.
Raccomandazione per 2 pezzi di cerniere: Spessore della porta 25 - 30 mm, larghezza della porta fino a 700mm, peso della porta fino a 22kg
Foglio di catalogo
Sostituzioni
INOX cerniera a molla unilaterale, L=100mm D8/72I-100
Materiale
Acciaio inossidabile AISI 304
Finitura
Satinato
Peso del cancello Gmax/Goptimal (kg)
22
Disponibilità in magazzino
SK Krompachy
> 500
SK Banská Bystrica
2
SK Bratislava R1
0
€7,25
Prezzo unitario
/
Non disponibile
Storia del prezzo
Prezzo più basso negli ultimi 30 giorni:
€7,25 senza IVA
Disponibile
(2807 unità)

