Sei B2B? Registrati per ottenere un prezzo migliore.

AL/6901-022-G90-S-EB

Finitura in vetro

Materiale: Alluminio, Finitura: Satinato - Anodizzato argento, vetro t: 20,00-21,52, Tonalitá: Nero, L: 200, Ancoraggio: Su vetro, LED: No

€9,10
senza IVA
€11,19
con IVA


PZ
Disponibilità di magazzino
SK Krompachy > 10
SK Banská Bystrica 0
SK Bratislava R1 0

Contatto

Per maggiori informazioni, contatta il nostro commerciale:

ordini@umakov.sk; info@umakov.sk
+421 908 986 081, +421 908 994 153

Descrizione

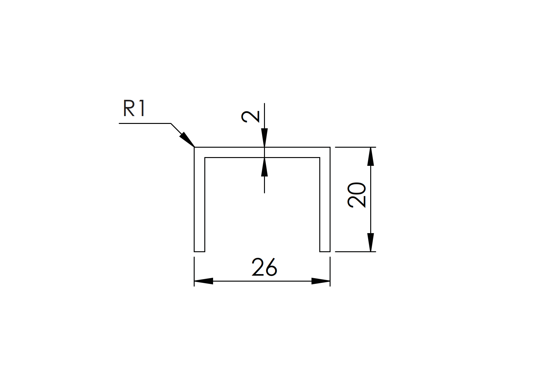
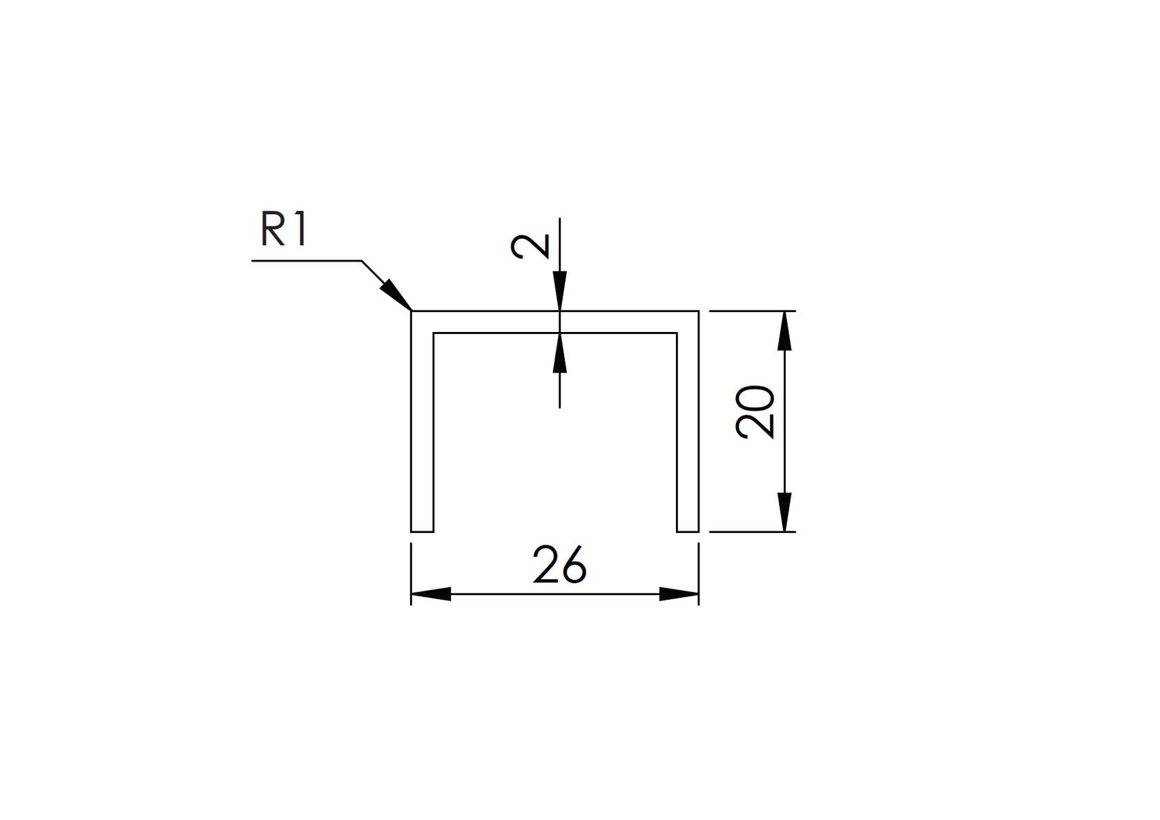
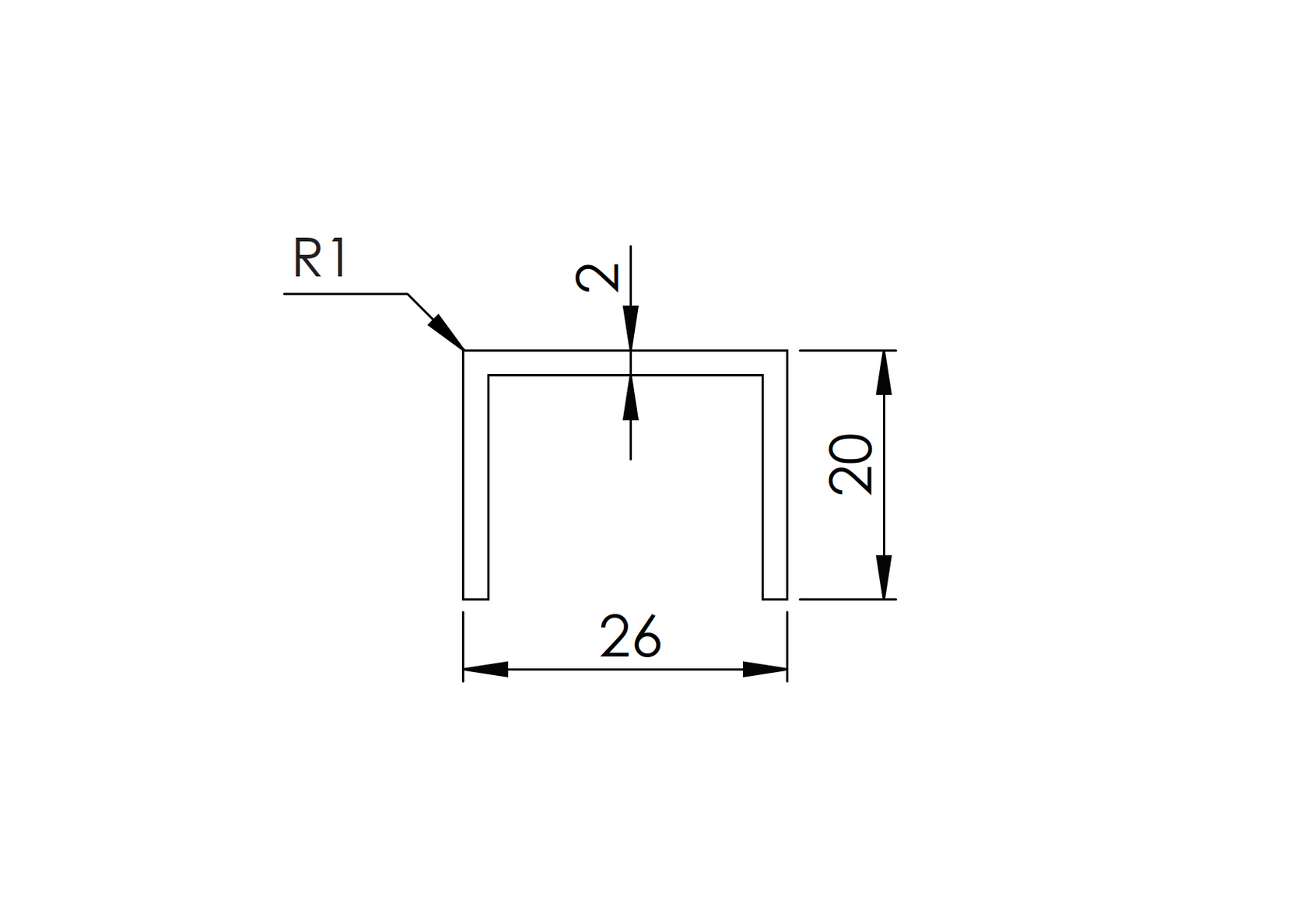
Angolo in alluminio per terminare il riempimento in vetro, finitura superficiale anodizzata nera.

Parametri

Materiale
Definisce il materiale di cui e fatto il prodotto.
Alluminio
Finitura
Stato finale della superficie del prodotto
Satinato - Anodizzato argento
vetro t
Determina lo spessore del vetro in mm a cui e adatto il prodotto
20,00-21,52
Tonalitá
Scegli la tonalitá dei colori
Nero
L
Parametro di lunghezza del prodotto
200
Ancoraggio
Specifica il materiale a cui e ancorato l'articolo
Su vetro
LED
No

Foglio di catalogo

Completion of the glass filling
umakovshop-com

Finitura in vetro

€9,10
Angolo in alluminio per terminare il riempimento in vetro, finitura superficiale anodizzata nera.
Visualizza prodotto