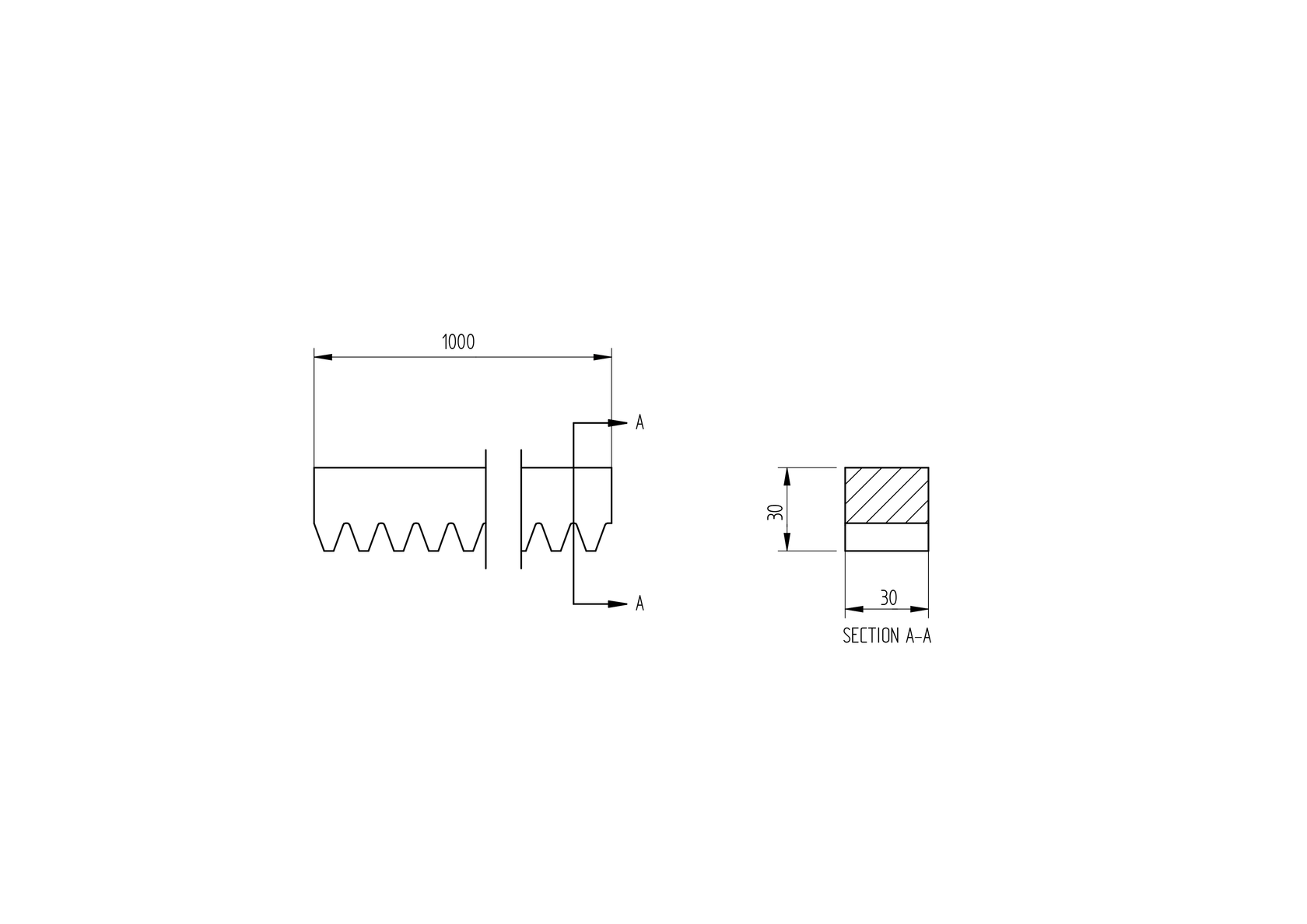
H/01Fe-30x30H
Pettine in acciaio Zn, 30x30mm, L1m, max 5000kg
€25,27
Prezzo unitario
/
Non disponibile
senza IVA
con IVA
Disponibilità di magazzino
SK Krompachy
> 25
SK Banská Bystrica
0
SK Bratislava R1
0
Contatto
Contatto
Per maggiori informazioni, contatta il nostro commerciale:
ordini@umakov.sk; info@umakov.sk
+421 908 986 081, +421 908 994 153
Parametri
Materiale
Definisce il materiale di cui e fatto il prodotto.
Acciaio
Finitura
Stato finale della superficie del prodotto
Zinco
Peso del cancello Gmax/Goptimal (kg)
Peso del cancello
5000
Marca
Definisce il produttore del prodotto in questione
Umakov
Modulo del pettine dell'ingranaggio
Určuje kompatibilitu hrebeňa s pastorkom motora.
mod 6

